Meteorites

Rohit Bhartia of NASA's Mars 2020 mission holds a slice of a meteorite scientists have determined came from Mars. This slice will likely be used here on Earth for testing a laser instrument for NASA's Mars 2020 rover; a separate slice will go to Mars on the rover. Martian meteorites are believed to be the result of impacts to the Red Planet's surface, resulting in rock being blasted into the atmosphere. After traveling through space for eons, some of these rocks entered Earth's atmosphere. Scientists determine whether they are true Martian meteorites based on their rock and noble gas chemistry and mineralogy. The gases trapped in these meteorites bear the unique fingerprint of the Martian atmosphere, as recorded by NASA's Viking mission in 1976. The rock types also show clear signs of igneous processing not possible on smaller bodies, such as asteroids. https://photojournal.jpl.nasa.gov/catalog/PIA22245

Close-up of a slice of a meteorite scientists have determined came from Mars. This slice will likely be used here on Earth for testing a laser instrument for NASA's Mars 2020 rover; a separate slice will go to Mars on the rover. Martian meteorites are believed to be the result of impacts to the Red Planet's surface, resulting in rock being heaved into the atmosphere. After traveling through space for eons, some of these rocks entered Earth's atmosphere. Scientists determine whether they are true Martian meteorites based on their rock and noble gas chemistry and mineralogy. The gases trapped in these meteorites bear the unique fingerprint of the Martian atmosphere, as recorded by NASA's Viking mission in 1976. The rock types also show clear signs of igneous processing not possible on smaller bodies, such as asteroids. https://photojournal.jpl.nasa.gov/catalog/PIA22246

A slice of a meteorite scientists have determined came from Mars placed inside an oxygen plasma cleaner, which removes organics from the outside of surfaces. This slice will likely be used here on Earth for testing a laser instrument for NASA's Mars 2020 rover; a separate slice will go to Mars on the rover. Martian meteorites are believed to be the result of impacts to the Red Planet's surface, resulting in rock being blasted into the atmosphere. After traveling through space for eons, some of these rocks entered Earth's atmosphere. Scientists determine whether they are true Martian meteorites based on their rock and noble gas chemistry and mineralogy. The gases trapped in these meteorites bear the unique fingerprint of the Martian atmosphere, as recorded by NASA's Viking mission in 1976. The rock types also show clear signs of igneous processing not possible on smaller bodies, such as asteroids. https://photojournal.jpl.nasa.gov/catalog/PIA22247

Possible Meteorites in the Martian Hills
Iron Meteorite on Mars

Meteorite Linked to Rock at Meridiani

Bounce and Martian Meteorite of the Same Mold
This 4.5 billion-year-old rock, labeled meteorite ALH84001, is one of 10 rocks from Mars in which researchers have found organic carbon compounds that originated on Mars without involvement of life. http://photojournal.jpl.nasa.gov/catalog/PIA00289

NASA Mars Exploration Rover Opportunity has found a rock that apparently is another meteorite, less than three weeks after driving away from a larger meteorite that the rover examined for six weeks.
Possible Meteorite in Columbia Hills on Mars False Color

Possible Meteorites in the Martian Hills False Color

This rock encountered by NASA Curiosity Mars rover is an iron meteorite called Lebanon, similar in shape and luster to iron meteorites found on Mars by the previous generation of rovers, Spirit and Opportunity.

Martian Meteorite (ALH84001) Life on Mars? Microscopic Fossils
This high-resolution scanning electron microscope image shows an unusual tube-like structural form that is less than 1/100th the width of a human hair in size found in meteorite ALH84001, a meteorite believed to be of Martian origin. http://photojournal.jpl.nasa.gov/catalog/PIA00288

NASA's Curiosity Mars rover captured this image of an iron-nickel meteorite nicknamed "Cacao" on Jan, 28, 2023, the 3,725th Martian day, or sol, of the mission. This meteorite, discovered in the "sulfate-bearing unit," a region on Mars' Mount Sharp, is estimated to be about 1 foot (30 centimeters) across. It's one of several meteorites Curiosity has seen while exploring Mars. Curiosity's Mast Camera, or Mastcam, took the panorama with its 100-millimeter focal length lens. The panorama is made up of 19 individual images that were stitched together after being sent to Earth. The color has been adjusted to match lighting conditions as the human eye would perceive them on Earth. https://photojournal.jpl.nasa.gov/catalog/PIA25737

S85-39565 (For release August 1996) --- According to scientists, this 4.5 billion year old rock, labeled meteorite ALH84001, is believed to have once been a part of Mars and to contain fossil evidence that primitive life may have existed on Mars more than 3.6 billion years ago. The rock is a portion of a meteorite that was dislodged from Mars by a huge impact about 16 million years ago and that fell to Earth in Antarctica 13,000 years ago. The meteorite was found in Allan Hills ice field, Antarctica, by an annual expedition of the National Science Foundation?s Antarctic Meteorite Program in 1984. It is preserved for study at the Johnson Space Center?s (JSC) Meteorite Processing Laboratory in Houston, Texas.
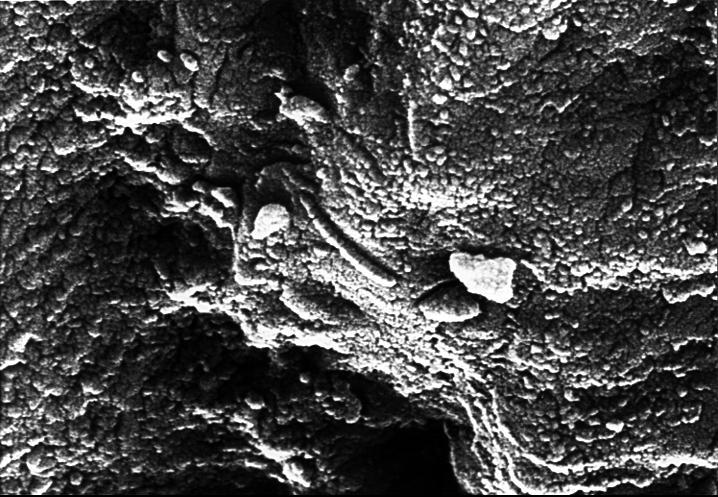
This scanning electron microscope image of a polished thin section of a meteorite from Mars shows tunnels and curved microtunnels.

This image shows three slices of a class of meteorites that fell to Earth that NASA Dawn mission has confirmed as originating from the giant asteroid Vesta.

DR. BILL COOKE, LEAD OF THE METEROID ENVIRONMENT OFFICE AT MARSHALL SHOWS VARIOUS METEORITES IN HIS COLLECTION.

This iron-nickel meteorite found near Fort Stockton, Texas, in 1952 shows a surface texture similar to some portions of the surface of an iron-nickel meteorite that NASA Mars Exploration Rover Opportunity found on Mars in July, 2009.

This slice of a Martian meteorite, seen floating inside the International Space Station, is now part of a calibration target for SuperCam, one of the instruments aboard NASA's Perseverance Mars rover. A piece of a different Martian meteorite is part of the calibration target for the instrument known as SHERLOC (Scanning Habitable Environments with Raman & Luminescence for Organics & Chemicals). Scientists use calibration targets as a kind of default they can use to check and fine-tune the settings of their instruments. A small number of meteorites on Earth have been determined to have originated on Mars based on mineral and chemical analyses by past NASA spacecraft. https://photojournal.jpl.nasa.gov/catalog/PIA24179
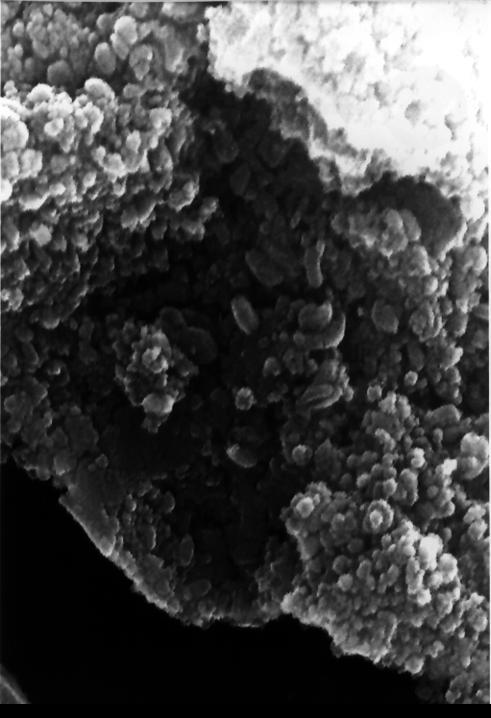
This photograph shows orange-colored carbonate mineral globules found in a meteorite, called ALH84001, believed to have once been a part of Mars. http://photojournal.jpl.nasa.gov/catalog/PIA00290
NASA Mars Exploration Rover Opportunity used its panoramic camera to capture this view of a dark rock the size of a toaster that may be an iron meteorite. Part of the rim of Endurance Crater is on the horizon.

S72-37257 (November 1972) --- The Lunar Ejecta and Meteorites Experiment (S-202), one of the experiments of the Apollo Lunar Surface Experiments Package which will be carried on the Apollo 17 lunar landing mission. The purpose of this experiment is to measure the physical parameters of primary and secondary particles impacting the lunar surface.

POSSIBLE METEORITE SAMPLES COLLECTED ON RECENT FIELD TRIP TO BANKHEAD NATIONAL FOREST, ALABAMA

This is a macro photograph of an etched surface of the Mundrabilla meteorite, a small piece of the approximately 3.9 billion-year-old meteorite that was first discovered in Western Australia in 1911. Two more giant chunks, together weighing about 17 tons, were found in 1966. Researchers can learn much from this natural crystal growth experiment since it has spent several hundred million years cooling, and would be impossible to emulate in a lab. This single slice, taken from a 6 ton piece recovered in 1966, measures only 2 square inches. The macro photograph shows a metallic iron-nickel alloy phase of kamcite (38% Ni) and taenite (6% Ni) at bottom right, bottom left, and top left. The darker material is an iron sulfide (FeS or troilite) with a parallel precipitates of duabreelite (iron chromium sulfide (FeCr2S4).
This scanning electron microscope image shows speroidal features embedded in a layer of iddingsite, a mineral formed by action of water, in a meteorite that came from Mars.

Composition measurements by NASA Mars Exploration Rover Opportunity confirm that this rock on the Martian surface is an iron-nickel meteorite. 3D glasses are necessary to view this image.
In the center of this electron microscope image of a small chip from a meteorite are several tiny structures that are possible microscopic fossils of primitive, bacteria-like organisms that may have lived on Mars more than 3.6 billion years ago. http://photojournal.jpl.nasa.gov/catalog/PIA00283

This view of a rock called Block Island, the largest meteorite yet found on Mars, comes from the panoramic camera Pancam on NASA Mars Exploration Rover Opportunity.

The dark, smooth-surfaced object at the center of this Oct. 30, 2016, image from the Mast Camera (Mastcam) on NASA's Curiosity Mars rover was examined with laser pulses and confirmed to be an iron-nickel meteorite. The grid of shiny points visible on the object resulted from that laser zapping by Curiosity's Chemistry and Camera (ChemCam) instrument. The meteorite is about the size of a golf ball. It is informally named "Egg Rock," for a site in Maine. Locations around Bar Harbor, Maine, are the naming theme for an area on Mars' Mount Sharp that Curiosity reached in October. Iron-nickel meteorites are a common class of space rocks found on Earth, and previous examples have been found on Mars, but Egg Rock is the first on Mars to be examined with a laser-firing spectrometer. The scene is presented with a color adjustment that approximates white balancing, to resemble how the rocks and sand would appear under daytime lighting conditions on Earth. Figure 1 includes a scale bar of 5 centimeters (about 2 inches). http://photojournal.jpl.nasa.gov/catalog/PIA21134

NASA Mars Exploration Rover Opportunity found this image of a meteorite. The science team used two tools on Opportunity arm, the microscopic imager and the alpha particle X-ray spectrometer, to inspect the rock texture and composition.

NASA Mars Exploration Rover Opportunity found and examined this meteorite. The science team used two tools on Opportunity arm, the microscopic imager and the alpha particle X-ray spectrometer, to inspect the rock texture and composition.
These images are of HED howardite, eucrite and diogenite meteorites are a large group of meteorites believed to originate from asteroid Vesta, a hypothesis that is consistent with current Dawn observations.

These images are of HED howardite, eucrite and diogenite meteorites are a large group of meteorites believed to originate from asteroid Vesta, a hypothesis that is consistent with current Dawn observations.

These images are of HED howardite, eucrite and diogenite meteorites, a large group of meteorites believed to originate from asteroid Vesta, a hypothesis that is consistent with current Dawn observations.

This is a picture of Block Island an odd-shaped, dark rock, which may be a meteorite.

Visitors examine meteorites at a NASA exhibit at the Apollo 11 50th Anniversary celebration on the National Mall, Thursday, July 18, 2019 in Washington. Apollo 11 was the first mission to land astronauts on the Moon and launched on July 16, 1969 with astronauts Neil Armstrong, Michael Collins, and Buzz Aldrin. Photo Credit: (NASA/Aubrey Gemignani)

The dark, golf-ball-size object in this composite, colorized view from the Chemistry and Camera (ChemCam) instrument on NASA's Curiosity Mars rover shows a grid of shiny dots where ChemCam had fired laser pulses used for determining the chemical elements in the target's composition. The analysis confirmed that this object, informally named "Egg Rock," is an iron-nickel meteorite. Iron-nickel meteorites are a common class of space rocks found on Earth, and previous examples have been found on Mars, but Egg Rock is the first on Mars to be examined with a laser-firing spectrometer. The laser pulses on Oct. 30, 2016, induced bursts of glowing gas at the target, and ChemCam's spectrometer read the wavelengths of light from those bursts to gain information about the target's composition. The laser pulses also burned through the dark outer surface, exposing bright interior material. This view combines two images taken later the same day by ChemCam's remote micro-imager (RMI) camera, with color added from an image taken by Curiosity's Mast Camera (Mastcam). A Mastcam image of Egg Rock is at PIA21134. http://photojournal.jpl.nasa.gov/catalog/PIA21133

Philippe Étienne, French Ambassador to the U.S. touches a Mars meteorite at the NASA exhibit during the 70th International Astronautical Congress, Wednesday, Oct. 23, 2019, at the Walter E. Washington Convention Center in Washington. Photo credit: (NASA/Aubrey Gemignani)

Scientists believe a large number of the meteorites that are found on Earth originate from the protoplanet Vesta. This image is from NASA Dawn spacecraft.

Three large meteorite impact craters are seen in this image obtained by NASA Magellan spacecraft of the Lavinia region of Venus. http://photojournal.jpl.nasa.gov/catalog/PIA00214

NASA Associate Administrator Science John Grunsfeld, Ph.D, displays a fragment of the Pallasite meteorite from Chubut, Argentina found in 1951 and given to him by his daughter on Father's Day during the Asteroid Initiative Industry and Partner Day at NASA Headquarters on Tuesday, June 18, 2013 in Washington. During the event NASA Deputy Administrator Lori Garver and other senior NASA officials discussed the progress being made on NASA's mission to capture, redirect, and explore an asteroid. NASA also announced an Asteroid Grand Challenge focused on finding all asteroid threats to human populations and knowing what to do about them. Photo Credit: (NASA/Bill Ingalls)
An iron meteorite is the latest quarry for NASA Mars Exploration Rover Opportunity. Shown here is the left-eye view of a stereo pair of images. 3D glasses are necessary to view this image.

If a meteorite breaks in two shortly before hitting the ground, the typical bowl shape of a single impact crater becomes doubled. This image is from NASA Mars Odyssey, one of an All Star set.
The image is an excerpt from an observation from NASA Mars Reconnaissance Orbiter showing a meteorite impact that excavated this crater on Mars exposed bright ice that had been hidden just beneath the surface at this location.

NASA Mars Exploration Rover Opportunity took this picture of a rock informally named Marquette Island as the rover was approaching the rock for investigations that have suggested the rock is a stony meteorite.

Studying meteorites from the asteroid Vesta helps scientists understand the event known as the lunar cataclysm, when a repositioning of the gas giant planets destabilized a portion of the asteroid belt and triggered a solar-system-wide bombardment.

While most hills and mountains on Earth originate from tectonic motions or volcanism, Earth also has some examples of hills that originated from impacts of large meteorites, the predominant origin for hills and mountains on the Moon.

This Mars Global Surveyor MGS Mars Orbiter Camera MOC image shows a field of small craters formed by secondary debris thrown from a larger meteoritic impact on the plains south of the Cerberus region

This doublet crater was formed when two meteorites impacted at the same time. The shock waves interact to form the straight central rim and the wings of ejecta on the outside of the rims. This image is from NASA Mars Odyssey.

An artist's rendition of Mars, highlighting one of InSight's goals -- to figure out just how tectonically active Mars is today and how often meteorites impact it. Interior Exploration using Seismic Investigations, Geodesy and Heat Transport, or InSight, is scheduled to launch from Vandenberg Air Force Base on the California coast between May 5 through June 8, 2018, and land on Mars six months later. InSight will give the Red Planet its first thorough check up since it formed, 4.5 billion years ago. The InSight lander carries a seismometer, SEIS, that listens to the pulse of Mars. The seismometer records the waves traveling through the interior structure of a planet. Studying seismic waves tells us what might be creating the waves. On Mars, scientists suspect that the waves may be caused by marsquakes, meteorites striking the surface, or hot, molten magma moving at great depths underneath the surface. https://photojournal.jpl.nasa.gov/catalog/PIA22230

PHOTOMICROPHOTOGRAPHY -GEOLOGY (SEM) High magnification and resolution views of lunar, meteorite and terrestrial materials with the Scanning Electron Microscope (SEM).

Cosmosgenic Nuclides in Allende Meteorite - Group of seven specimens; No.s' K1, K2, 3512, 3515, 81-1, 81-6 and 81-3

iss071e001159 (April 7, 2024) -- Lake Manicouagan, carved out by the impact of an ancient meteorite, was photographed from the International Space Station as it orbited 261 miles above.

Martian Meteorite (ALH84001): This high resolution transmission electron microscope image is of a cast, or replica, from a chip of a Martian meteorite, labeled ALH84001, that shows the outline of what are believed to be possible microscopic fossils of bacteria-like organisms that may have lived on Mars more than 3.6 billion years ago. The tubular features in this image are less than a micrometer in size, or about 1/500th the diameter of a human hair. (JSC ref: S96-12637)
New results from the Sample Analysis at Mars, or SAM, instrument on NASA Curiosity rover detected about 2,000 times as much argon-40 as argon-36, which weighs less, confirming the connection between Mars and Martian meteorites found on Earth.

NASA Mars Exploration Rover Opportunity used its microscopic imager to get this view of the surface of a rock called Block Island during the 1,963rd Martian day, or sol, of the rover mission on Mars Aug. 1, 2009.

iss066e141220 (Feb. 13, 2022) --- The icy terrain surrounding the Manicouagan Reservoir, a lake formed by a prehistoric meteorite impact, is pictured from the International Space Station as it orbited 261 miles above far eastern Canada.

PHOTOMICROPHOTOGRAPHY -GEOLOGY (SEM) High magnification and resolution views of lunar, meteorite and terrestrial materials using the Scanning Electron MIcroscope (SEM), Bldg. 31 Planetary and Earth Science Laboratory.

iss069e089635 (Sept. 18, 2023) --- The eroded Aorounga meteorite impact crater, also known as the "Eye of the Desert," in the African nation of Chad is pictured from the International Space Station as it orbited 258 miles above.

Art By Don Davis As the probes and the bus enter the Venusian atmosphere they glowed briefly like meteorites. The bus as shown in this artisit's rendering, was most spectacular because it did not carry a heat shield; as a result, it burned up completely.
This electron microscope image shows extremely tiny tubular structures that are possible microscopic fossils of bacteria-like organisms that may have lived on Mars more than 3.6 billion years ago. http://photojournal.jpl.nasa.gov/catalog/PIA00285
This electron microscope image shows egg-shaped structures, some of which may be possible microscopic fossils of Martian origin as discussed by NASA research published in the Aug. 16, 1996. http://photojournal.jpl.nasa.gov/catalog/PIA00286
This electron microscope image shows tubular structures of likely Martian origin. These structures are very similar in size and shape to extremely tiny microfossils found in some Earth rocks. http://photojournal.jpl.nasa.gov/catalog/PIA00287
This electron microscope image is a close-up of the center part of photo number S96-12301. http://photojournal.jpl.nasa.gov/catalog/PIA00284

KENNEDY SPACE CENTER, FLA. -- This 100-pound Mundrabilla meteorite sample is being studied in Wyle Laboratory's Nondestructive Testing Laboratory at KSC. The one-of-a-kind meteorite was found 36 years ago in Australia and is on loan to Marshall Space Flight Center (MSFC) from the Smithsonian Institution's National Museum of Natural History. Dr. Donald Gillies, discipline scientist for materials science at MSFC's Microgravity Science and Applications Department, is the Principal Investigator. The studies may help provide the science community and industry with fundamental knowledge for use in the design of advanced materials.

A researcher at the NASA Lewis Research Center manipulates cartridge pellets and a strain gauge target as part of a study on the impact of micrometeorites striking space vehicles. Early in the space program NASA researchers were concerned that small micrometeorites would penetrate spacecraft, injure engines, or damage solar arrays. In response, researchers worked to develop stronger materials to withstand meteorite strikes and screens to block the objects. NASA launched a series of experimental spacecraft into orbit with foil shields that were used to determine the number of meteorite strikes. By the early 1960s the experiments and computer modelling efforts revealed that the micrometeoroid threat was lower than previously anticipated.

KENNEDY SPACE CENTER, FLA. -- Pete Engel, an engineering specialist in Wyle Laboratory's Nondestructive Testing Laboratory at KSC, explains the testing being performed on a 100-pound Mundrabilla meteorite sample. The one-of-a-kind meteorite was found 36 years ago in Australia and is on loan to Marshall Space Flight Center (MSFC) from the Smithsonian Institution's National Museum of Natural History. Dr. Donald Gillies, discipline scientist for materials science at MSFC's Microgravity Science and Applications Department, is the Principal Investigator. The studies may help provide the science community and industry with fundamental knowledge for use in the design of advanced materials.

KENNEDY SPACE CENTER, FLA. -- Pete Engel, an engineering specialist in Wyle Laboratory's Nondestructive Testing Laboratory at KSC, explains the testing being performed on a 100-pound Mundrabilla meteorite sample. The one-of-a-kind meteorite was found 36 years ago in Australia and is on loan to Marshall Space Flight Center (MSFC) from the Smithsonian Institution's National Museum of Natural History. Dr. Donald Gillies, discipline scientist for materials science at MSFC's Microgravity Science and Applications Department, is the Principal Investigator. The studies may help provide the science community and industry with fundamental knowledge for use in the design of advanced materials.

KENNEDY SPACE CENTER, FLA. -- This 100-pound Mundrabilla meteorite sample is being studied in Wyle Laboratory's Nondestructive Testing Laboratory at KSC. The one-of-a-kind meteorite was found 36 years ago in Australia and is on loan to Marshall Space Flight Center (MSFC) from the Smithsonian Institution's National Museum of Natural History. Dr. Donald Gillies, discipline scientist for materials science at MSFC's Microgravity Science and Applications Department, is the Principal Investigator. The studies may help provide the science community and industry with fundamental knowledge for use in the design of advanced materials.

By providing a set of base measurements that were taken on Earth, this calibration target will help fine-tune the settings on the Scanning Habitable Environments with Raman & Luminescence for Organics and Chemicals (SHERLOC) instrument carried aboard NASA's Perseverance Mars rover. There are 10 kinds of materials on SHERLOC's calibration target, including a fragment of a Martian meteorite and five of the first spacesuit materials sent to Mars. They'll be observed to see how they hold up in the intense radiation on the Martian surface. https://photojournal.jpl.nasa.gov/catalog/PIA23980

The Barringer Meteorite Crater (also known as "Meteor Crater") is a gigantic hole in the middle of the arid sandstone of the Arizona desert. A rim of smashed and jumbled boulders, some of them the size of small houses, rises 50 m above the level of the surrounding plain. The crater itself is nearly a 1500 m wide, and 180 m deep. When Europeans first discovered the crater, the plain around it was covered with chunks of meteoritic iron - over 30 tons of it, scattered over an area 12 to 15 km in diameter. Scientists now believe that the crater was created approximately 50,000 years ago. The meteorite which made it was composed almost entirely of nickel-iron, suggesting that it may have originated in the interior of a small planet. It was 50 m across, weighed roughly 300,000 tons, and was traveling at a speed of 65,000 km per hour. This ASTER 3-D perspective view was created by draping an ASTER bands 3-2-1image over a digital elevation model from the US Geological Survey National Elevation Dataset. This image was acquired on May 17, 2001 by the Advanced Spaceborne Thermal Emission and Reflection Radiometer (ASTER) on NASA's Terra satellite. With its 14 spectral bands from the visible to the thermal infrared wavelength region, and its high spatial resolution of 15 to 90 meters (about 50 to 300 feet), ASTER will image Earth for the next 6 years to map and monitor the changing surface of our planet. http://photojournal.jpl.nasa.gov/catalog/PIA03490

The calibration target for SHERLOC (Scanning Habitable Environments with Raman & Luminescence for Organics & Chemicals) an instrument on the end of the Perseverance Mars rover's 7-foot-long (3-meter-long) robotic arm, includes a geocaching target, spacesuit materials, and a slice of a Martian meteorite. Scientists rely on calibration targets to fine-tune instrument settings using materials with known properties. The bottom row of this target features spacesuit materials that scientists will observe to see how they react over time to the irradiated Martian atmosphere. The first sample at left is polycarbonate for use in a helmet visor; inscribed with the address of the fictional detective Sherlock Holmes, it doubles as a geochache for the public. Other materials in the bottom row, from left: Vectran; Ortho-Fabric; Teflon; coated Teflon. Top row, from left: aluminum gallium nitride on sapphire; a quartz diffuser; a slice of Martian meteorite; a maze for testing laser intensity; a separate aluminum gallium nitride on sapphire with different properties. https://photojournal.jpl.nasa.gov/catalog/PIA24261

A student from the Maryland School For the Blind explores an object while learning about Meteorites, Asteroids and Comets during NASA's Disability Mentoring Day, Thursday, April 7, 2011, at NASA Headquarters in Washignton. Photo Credit: (NASA/Paul E. Alers)

An SUV-sized Asteroid 2008TC# Impacts on October 7, 2008 in the Nubian Desert, Northern Sudan: Dr. Peter Jenniskens, NASA/SETI joined Muawia Shaddas of the University of Khartoum in leading an expedition on a search for samples. (meteorite 3rd-bigone) Photo Credit: NASA/SETI/P. Jenniskens

The collision that created Hargraves Crater impacted into diverse bedrock lithologies of ancient Mars; the impact ejecta is a rich mix of rock types with different colors and textures, as seen by NASA Mars Reconnaissance Orbiter. The crater is named after Robert Hargraves who discovered and studied meteorite impacts on the Earth. https://photojournal.jpl.nasa.gov/catalog/PIA21609

A student from the Maryland School For the Blind asks a question while learning about Meteorites, Asteroids and Comets during NASA's Disability Mentoring Day, Thursday, April 7, 2011, at NASA Headquarters in Washignton. Photo Credit: (NASA/Paul E. Alers)

An SUV-sized Asteroid 2008TC# Impacts on October 7, 2008 in the Nubian Desert, Northern Sudan: Dr. Peter Jenniskens, NASA/SETI joined Muawia Shaddas of the University of Khartoum in leading an expedition on a search for samples. (meteorite #4) Photo Credit: NASA/SETI/P. Jenniskens

An SUV-sized Asteroid 2008TC# Impacts on October 7, 2008 in the Nubian Desert, Northern Sudan: Dr. Peter Jenniskens, NASA/SETI joined Muawia Shaddas of the University of Khartoum in leading an expedition on a search for samples. (meteorite) Photo Credit: NASA/SETI/P. Jenniskens

An SUV-sized Asteroid 2008TC# Impacts on October 7, 2008 in the Nubian Desert, Northern Sudan: Dr. Peter Jenniskens, NASA/SETI joined Muawia Shaddas of the University of Khartoum in leading an expedition on a search for samples. (meteorite 3rd trip-Insitu.) Photo Credit: NASA/SETI/P. Jenniskens

An SUV-sized Asteroid 2008TC# Impacts on October 7, 2008 in the Nubian Desert, Northern Sudan: Dr. Peter Jenniskens, NASA/SETI joined Muawia Shaddas of the University of Khartoum in leading an expedition on a search for samples. Peter Jenniskens finds meteorites 1) Photo Credit: NASA/SETI/P. Jenniskens

An SUV-sized Asteroid 2008TC# Impacts on October 7, 2008 in the Nubian Desert, Northern Sudan: Dr. Peter Jenniskens, NASA/SETI joined Muawia Shaddas of the University of Khartoum in leading an expedition on a search for samples. (meteorite find - bus gets stuck) Photo Credit: NASA/SETI/P. Jenniskens

An SUV-sized Asteroid 2008TC# Impacts on October 7, 2008 in the Nubian Desert, Northern Sudan: Dr. Peter Jenniskens, NASA/SETI joined Muawia Shaddas of the University of Khartoum in leading an expedition on a search for samples. (Meteorite #14) Photo Credit: NASA/SETI/P. Jenniskens

An SUV-sized Asteroid 2008TC# Impacts on October 7, 2008 in the Nubian Desert, Northern Sudan: Dr. Peter Jenniskens, NASA/SETI joined Muawia Shaddas of the University of Khartoum in leading an expedition on a search for samples. Peter Jenniskens meteorite. Photo Credit: NASA/SETI/P. Jenniskens

An SUV-sized Asteroid 2008TC# Impacts on October 7, 2008 in the Nubian Desert, Northern Sudan: Dr. Peter Jenniskens, NASA/SETI joined Muawia Shaddas of the University of Khartoum in leading an expedition on a search for samples. (meteorite 3rd-22) Photo Credit: NASA/SETI/P. Jenniskens

A student from the Maryland School For the Blind explores an object while learning about Meteorites, Asteroids and Comets during NASA's Disability Mentoring Day, Thursday, April 7, 2011, at NASA Headquarters in Washignton. Photo Credit: (NASA/Paul E. Alers)

An SUV-sized Asteroid 2008TC# Impacts on October 7, 2008 in the Nubian Desert, Northern Sudan: Dr. Peter Jenniskens, NASA/SETI joined Muawia Shaddas of the University of Khartoum in leading an expedition on a search for samples. (meteorite-brick-reenactment) Photo Credit: NASA/SETI/P. Jenniskens

A student from the Maryland School For the Blind explores an object while learning about Meteorites, Asteroids and Comets during NASA's Disability Mentoring Day, Thursday, April 7, 2011, at NASA Headquarters in Washignton. Photo Credit: (NASA/Paul E. Alers)

An SUV-sized Asteroid 2008TC# Impacts on October 7, 2008 in the Nubian Desert, Northern Sudan: Dr. Peter Jenniskens, NASA/SETI joined Muawia Shaddas of the University of Khartoum in leading an expedition on a search for samples. (meteorite 3rd-geologist) Photo Credit: NASA/SETI/P. Jenniskens

An SUV-sized Asteroid 2008TC# Impacts on October 7, 2008 in the Nubian Desert, Northern Sudan: Dr. Peter Jenniskens, NASA/SETI joined Muawia Shaddas of the University of Khartoum in leading an expedition on a search for samples. (meteorite 3rd) Photo Credit: NASA/SETI/P. Jenniskens

An SUV-sized Asteroid 2008TC# Impacts on October 7, 2008 in the Nubian Desert, Northern Sudan: Dr. Peter Jenniskens, NASA/SETI joined Muawia Shaddas of the University of Khartoum in leading an expedition on a search for samples. (Meteorite 3rd-several at once) Photo Credit: NASA/SETI/P. Jenniskens

An SUV-sized Asteroid 2008TC# Impacts on October 7, 2008 in the Nubian Desert, Northern Sudan: Dr. Peter Jenniskens, NASA/SETI joined Muawia Shaddas of the University of Khartoum in leading an expedition on a search for samples. (Meteorite search 1) Photo Credit: NASA/SETI/P. Jenniskens

A student from the Maryland School For the Blind touches a piece of moon rock while learning about Meteorites, Asteroids and Comets during NASA's Disability Mentoring Day, Thursday, April 7, 2011, at NASA Headquarters in Washignton. Photo Credit: (NASA/Paul E. Alers)

An SUV-sized Asteroid 2008TC# Impacts on October 7, 2008 in the Nubian Desert, Northern Sudan: Dr. Peter Jenniskens, NASA/SETI joined Muawia Shaddas of the University of Khartoum in leading an expedition on a search for samples. (meteorite find 3rd trip 1) Photo Credit: NASA/SETI/P. Jenniskens

JOHNSON SPACE CENTER, HOUSTON, TEXAS - Apollo 11 Lunar Module Pilot Edwin E. Aldrin Jr. deployes the Passive Seismic Experiment Package (PSE) on the Moon's surface near Tranquility Base. The sensitive instrument remained behind on the lunar surface to radio back information concerning moonquakes, landslides and meteorite impacts.

Range : 862,200 km. ( 500,000 miles ) This photograph shows subspacecraft longitude of approximately 146 degrees of Jupiter's moon Io. Circular features are seen that may be meteorite impact craters or features of internal origins. Irregular depressions are seen that indicate surface modifications. The bright irregular patches appear to be younger deposits masking the surface detail.

An artist's impression of the InSight lander on Mars. InSight, short for Interior Exploration using Seismic Investigations, Geodesy and Heat Transport, is designed to give the Red Planet its first thorough check up since it formed 4.5 billion years ago. It is scheduled to launch from Vandenberg Air Force Base on the California coast between May 5 through June 8, 2018, and land on Mars six months later. InSight will look for tectonic activity and meteorite impacts, study how much heat is still flowing through the planet, and track Mars' wobble as it orbits the sun. While InSight is a Mars mission, it's more than a Mars mission. InSight will help answer key questions about the formation of the rocky planets of the solar system. https://photojournal.jpl.nasa.gov/catalog/PIA22226

CAPE CANAVERAL, Fla. – Samples of Earth rocks and real meteorites are featured in an interactive display at the new Great Balls of Fire exhibit at NASA’s Kennedy Space Center Visitor Complex in Florida. The grand opening featured remarks by former NASA astronaut Tom Jones, and Therrin Protze, chief operating officer at Delaware North Parks and Resorts at the visitor complex. Great Balls of Fire shares the story of the origins of our solar system, asteroids and comets and their possible impacts and risks. The 1,500-square-foot exhibit, located in the East Gallery of the IMAX theatre at the visitor complex, features several interactive displays, real meteorites and replica asteroid models. The exhibit is a production of The Space Science Institute's National Center for Interactive Learning. It is a traveling exhibition that also receives funding from NASA and the National Science Foundation. Photo credit: NASA/Daniel Casper